BackStep-by-Step Guidance for Circuit Analysis: Capacitors and Resistors
Study Guide - Smart Notes
Tailored notes based on your materials, expanded with key definitions, examples, and context.
Q7. For the capacitor circuit below, determine the charge, voltage, and energy stored on each capacitor:

Background
Topic: Capacitors in Series and Parallel Circuits
This question tests your understanding of how to analyze a circuit containing capacitors in both series and parallel arrangements. You will need to find the equivalent capacitance, the voltage across each capacitor, the charge stored, and the energy stored in each capacitor.
Key Terms and Formulas
Capacitance in series:
Capacitance in parallel:
Charge on a capacitor:
Energy stored in a capacitor:
Step-by-Step Guidance
First, identify which capacitors are in series and which are in parallel. In this circuit, and are in series, and their combination is in parallel with .
Calculate the equivalent capacitance of and in series using , where and .
Add (73 F) in parallel to the series combination to find the total equivalent capacitance: .
Find the total charge supplied by the battery using , where .
Determine the voltage across (it is in parallel with the battery, so ) and the voltage across the series combination ( and share the remaining voltage).
Try solving on your own before revealing the answer!
Q8. For the resistor circuit below, determine the current, voltage, and power of each resistor:

Background
Topic: Series and Parallel Resistor Circuits
This question tests your ability to analyze a circuit with resistors in both series and parallel. You will need to use Ohm's Law and the rules for combining resistors to find the current through, voltage across, and power dissipated by each resistor.
Key Terms and Formulas
Ohm's Law:
Resistors in series:
Resistors in parallel:
Power dissipated: or
Step-by-Step Guidance
Identify which resistors are in series and which are in parallel. In this circuit, and are in parallel, and their combination is in series with .
Calculate the equivalent resistance of and in parallel using , where and .
Add (75 ) in series to the parallel combination to find the total equivalent resistance: .
Find the total current from the battery using , where .
Determine the voltage across (using ) and the voltage across the parallel branch (it will be the same for both and ).
Try solving on your own before revealing the answer!
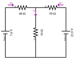
Q10. For the circuit below, determine currents I1, I2, and I3:

Background
Topic: Kirchhoff's Rules for Multi-Loop Circuits
This question tests your ability to apply Kirchhoff's Junction Rule and Loop Rule to solve for unknown currents in a multi-loop circuit.
Key Terms and Formulas
Junction Rule:
Loop Rule: around any closed loop
Ohm's Law:
Step-by-Step Guidance
Assign current directions for , , and as shown in the diagram.
Apply the Junction Rule at the node where the three resistors meet: (or similar, depending on your current directions).
Write a loop equation for the left loop (including the 7.8 V battery, 40 resistor, and 54 resistor) using the Loop Rule.
Write a loop equation for the right loop (including the 23.9 V battery, 59 resistor, and 54 resistor) using the Loop Rule.
Set up the system of equations and prepare to solve for the unknown currents. (Stop here before solving!)